Выключатель автоматический дифференциального тока АД-32 3P+N 16А / 30мА (характеристика C, тип A, электронный, защита 270 В) 6кА EKF PROxima
Дифференциальный автоматический выключатель АД-32 EKF PROxima представляет собой аппарат, сочетающий функции автоматического выключателя с устройством защитного отключения.
При обнаружении автоматическим выключателем в защищаемом участке сети тока утечки (повреждения) на землю или сверхтока (ток перегрузки или короткое замыкание) происходит срабатывание устройства, приводящее к отключению защищаемой сети.
Применяется в электрических цепях переменного тока номинального напряжения 230 / 400 В частотой 50 Гц бытового и промышленного назначения.

Назначение
- Защита людей от поражения электрическим током при случайном прикосновении к открытым проводящим частям электроустановки.
- Защита электроустановки при повреждении изоляции проводников и неисправностях электроустановки.
- Предотвращение возгораний и пожаров, возникающих вследствие протекания токов утечки и развивающихся из них коротких замыканий, замыканий на корпус и замыканий на землю.
- Автоматическое отключение участка электрической сети при перегрузках и токах короткого замыкания.
Размеры

Особенности конструкции
- Наличие кнопки возврата для индикации срабатывания от тока утечки.
- Скругленные клеммы с насечками для надежного соединения с проводниками.
- Панели для пломбировки клемм.

- Возможна коммутация алюминиевым и медным проводом.
- Современная электронная плата с повышенной защитой от импульcных помех.
- Отверстия для крепления U-образной шины типа Fork.

Технические характеристики
| Артикул | DA32-6-16-30-4P-a-pro |
| Тип изделия | автоматический выключатель дифференциального тока |
| Число полюсов | 3P+N |
| Количество защищенных полюсов | 3 |
| Модульная ширина (шаг 18 мм) | 4,5 |
| Номинальное расчетное напряжение Ue, В | 400 |
| Частота тока, Гц | 50 |
| Номинальный ток нагрузки In, А | 16 |
| Номинальный отключающий дифференциальный ток (уставка) IΔn, мА | 30 |
| Тип тока утечки | А |
| Номинальная наибольшая отключающая способность Icn, А | 6000 |
| Характеристика токов мгновенного расцепления | С |
| Номинальный неотключающий дифференциальный ток IΔo, мА | 0,5IΔn |
| Время отключения при номинальном отключающем дифференциальном токе, не более, сек. | 0,04 |
| Защита от повышенного напряжения, В | 270 ±5 |
| Мощность рассеивания, Вт | 5 |
| Номинальное импульсное выдерживаемое напряжение, кВ | 6 |
| Номинальное напряжение изоляции Ui, В | 500 |
| Расположение нейтрали | с левой стороны |
| Одновременное отключение нейтрали (N) | да |
| Селективная защита | нет |
| Кратковременная задержка срабатывания | нет |
| Наличие защиты от ложного срабатывания | нет |
| Наличие блокировки | нет |
| Способ контроля | функционально зависящие от напряжения сети (электронные) |
| Категория перенапряжения | 3 |
| Класс токоограничения | 3 |
| Категория применения | А |
| Механическая износостойкость, не менее, циклов | 10000 |
| Коммутационная износостойкость, не менее, циклов | 4000 |
| Рабочая температура, °C | -25... +55 |
| Степень защиты от пыли и влаги | IP20 (открытый аппарат) / IP40 (аппарат в модульной шкафу) |
| Климатическое исполнение и категория размещения | УХЛ3.1 |
| Степень загрязнения | 3 |
| Способ установки | на DIN-рейку |
| Положение в пространстве | на вертикальной плоскости вертикальное или горизонтальное |
| Сечение подключаемого провода, кв.мм | 1 - 25 |
| Усилие затяжки зажимных винтов, не более, Н*м | 2,5 |
| Возможность дополнительной комплектации | есть |
| Вес изделия, г | 358 |
| Срок службы, лет | 20 |
Диаграммы
Время-токовые характеристики отключения

- Характеристика срабатывания В - срабатывание электромагнитной защиты между 3- и 5-кратным значениями номинального тока.
- Характеристика срабатывания С - срабатывание электромагнитной защиты между 5- и 10-кратным значениями номинального тока.
Температурный коэффициент

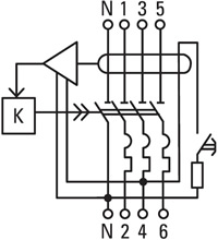
Схема подключения

Подключение дополнительных устройств
- Расцепитель минимального и максимального напряжения РММ-47 (отверстие справа).
- Расцепитель независимый РН-47 (отверстие справа).
Преимущества
- Доставка по всей России
- Более 200 000 товаров в ассортименте
- Профессиональная консультация
- Кабель БЕЗ опасности
- Качество по ГОСТу
|
Бренд
|
EKF |
|
СрокГарантии, мес
|
120 |
|
Количество полюсов
|
4 |
|
Марка изделия
|
АД32 |
|
Модульная ширина (общее кол-во модульных расстояний)
|
4 |
|
Номинальная отключающая способность, кА
|
6 |
|
Номинальный ток утечки, мА
|
30 |
|
Номинальный ток, А
|
16 |
|
Тип тока утечки
|
A |
-
Зайдите на страницу товара и нажмите на кнопку «В корзину».
Далее можно продолжить покупки или перейти к оформлению заказа.
-
Перейдите в Корзину и нажмите «Перейти к оформлению».
Можно авторизоваться или оформить заказ без регистрации. Зарегистрированные пользователи могут:
- Отслеживать статус заказа
- Получать спецпредложения и промокоды на дополнительные скидки
- Укажите Ваши контакты: ФИО, телефон и e-mail.
- Выберите способ получения заказа (доставка или пункт самовывоза) и способ оплаты.
- Далее «Оформить заказ».
Готово: ваш заказ создан! По электронной почте или в личном кабинете Вы можете отслеживать статус заказа.
Теперь останется только ждать доставки и радоваться новой покупке!
Оплачивайте покупки удобным способом.
В нашем интернет-магазине доступно 3 варианта оплаты:
- Оплата наличными или картой при самовывозе в пункте выдачи заказов/магазине.
- Онлайн-оплата на сайте при оформлении заказа. Для совершения покупки система перенаправит вас на страницу платежного сервиса. Здесь необходимо заполнить форму по инструкции.
- Оплата по счету для юридических лиц. Оплата происходит после предоставления реквизитов для выставления счета. Покупатель получает счет на указанный e-mail.
Доступно 3 варианта доставки:
- Самовывоз из магазина. Список торговых точек для выбора появится в корзине. Для получения заказа обратитесь к сотруднику в кассовой зоне и назовите номер заказа.
- Доставка транспортной компанией СДЭК или Почтой РФ в отделение или постамат.
По всем возникающим вопросам можете позвонить нам на горячую линию:
Ежедневно с 8:00 до 20:00 по МСК
E-mail: help@kristall43.ru
Адрес: 610000, г. Киров, ул. Щорса, 68г, кабинет 3