Бокс КМПн-8 навесной IEK MKP73-N-08-66 (1 ряд, 8 модулей, IP66)
Бокс КМПн-8 навесной предназначен для сборки распределительных электрощитов с использованием модульной аппаратуры, для ввода и распределения электроэнергии, а также защиты сетей напряжением 230 / 400 В от токов перегрузки и короткого замыкания.
Повышенная степень защиты корпуса позволяет использовать его в помещениях с большим содержанием пыли и влаги, например, в гаражах, производственных помещениях, подвалах, автомойках, на складах, а также на открытом воздухе.
Преимущества
- Высококачественный полиуретановый уплотнитель обеспечивает дополнительную защиту корпуса от влаги и пыли.
- Возможность запирания корпуса от несанкционированного доступа на замок.
- Удобство сборки и монтажа.
- Невыпадающие винты.
- Расширенный диапазон рабочих температур (от -25 до +85 °С).
- Полная комплектация (готовность к сборке).
- Стильный эргономичный дизайн.
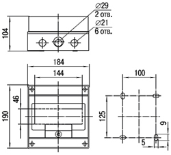
Габаритные размеры

Материалы и цвета
| Цвет корпуса | Белый (RAL 7035) |
| Материал корпуса | ABS пластик |
| Цвет дверцы | Прозрачный дымчатый |
| Материал дверцы | поликарбонат |
Особенности конструкции
![]() |
Направление открывания фасадной панели может быть легко изменено как вправо, так и влево по месту монтажа за счет наличия пластиковых петель. | ![]() |
Увеличенное расстояние между DIN-рейкой и задней стенкой. DIN-рейка регулируется по глубине, для ее установки используются пластиковые фиксаторы. |
![]() |
Защита корпуса от несанкционированного доступа обеспечена наличием замка с трехгранным ключом. | ![]() |
Съемный держатель шин N и PE можно устанавливать как вверху, так и внизу корпуса на специальные крепления. Сами же шины N и PE устанавливаются на съемный держатель простым защелкиванием в посадочные места. |
![]() |
Удобный и точный монтаж корпуса возможен за счет специальной разметки крепежных отверстий для крепления корпуса к стене. | ![]() |
Легкая и быстрая установка сальников под разные сечения происходит за счет выламываемых отверстий различного диаметра, которые расположены вверху и внизу корпуса. |
Технические характеристики
| Тип изделия | корпус модульный |
| Типоразмер | 1 ряд, 8 модулей |
| Шины | 1 шт. N и PE: 5 х 10 кв.мм + 5 х 16 кв.мм |
| Номинальное напряжение, В | до 400 |
| Номинальная частота, Гц | 50 |
| Номинальный ток, А | 100 |
| Рабочая температура, °С | -25... +85 |
| Степень защиты от пыли и влаги | IP66 |
| Класс защиты от поражения электрическим током | II |
| Вид установки | навесной |
| Вес, кг | 0,71 |
Комплектация
![]() |
![]() |
![]() |
|
|
Шины N и PE
|
Петли для навески дверцы | Замок с трехгранным ключом | |
![]() |
![]() |
![]() |
![]() |
| Заглушки модульные и заглушки отверстий |
Комплект опломбировки | Метизы | Знаки маркировки |
Преимущества
- Доставка по всей России
- Более 200 000 товаров в ассортименте
- Профессиональная консультация
- Кабель БЕЗ опасности
- Качество по ГОСТу
|
Бренд
|
IEK |
|
СрокГарантии, мес
|
60 |
|
Количество рядов
|
1 |
|
Общее количество модулей
|
18 |
|
Серия
|
dd644cea-6eb2-11ef-a582-00155da43c00 |
|
Тип изделия
|
Бокс |
|
Цвет двери
|
белая |
-
Зайдите на страницу товара и нажмите на кнопку «В корзину».
Далее можно продолжить покупки или перейти к оформлению заказа.
-
Перейдите в Корзину и нажмите «Перейти к оформлению».
Можно авторизоваться или оформить заказ без регистрации. Зарегистрированные пользователи могут:
- Отслеживать статус заказа
- Получать спецпредложения и промокоды на дополнительные скидки
- Укажите Ваши контакты: ФИО, телефон и e-mail.
- Выберите способ получения заказа (доставка или пункт самовывоза) и способ оплаты.
- Далее «Оформить заказ».
Готово: ваш заказ создан! По электронной почте или в личном кабинете Вы можете отслеживать статус заказа.
Теперь останется только ждать доставки и радоваться новой покупке!
Оплачивайте покупки удобным способом.
В нашем интернет-магазине доступно 3 варианта оплаты:
- Оплата наличными или картой при самовывозе в пункте выдачи заказов/магазине.
- Онлайн-оплата на сайте при оформлении заказа. Для совершения покупки система перенаправит вас на страницу платежного сервиса. Здесь необходимо заполнить форму по инструкции.
- Оплата по счету для юридических лиц. Оплата происходит после предоставления реквизитов для выставления счета. Покупатель получает счет на указанный e-mail.
Доступно 3 варианта доставки:
- Самовывоз из магазина. Список торговых точек для выбора появится в корзине. Для получения заказа обратитесь к сотруднику в кассовой зоне и назовите номер заказа.
- Доставка транспортной компанией СДЭК или Почтой РФ в отделение или постамат.
По всем возникающим вопросам можете позвонить нам на горячую линию:
Ежедневно с 8:00 до 20:00 по МСК
E-mail: help@kristall43.ru
Адрес: 610000, г. Киров, ул. Щорса, 68г, кабинет 3












