Корпус ЩУ-3/1-0 74 У1 IP54 IEK
Корпуса щитов ввода и учета электроэнергии ЩУ предназначены для сборки вводно-учетных электрощитов, с применением модульной аппаратуры, для ввода и учета электроэнергии в жилых и производственных помещениях.
Преимущества
- Повышенная антикоррозийная стойкость.
- Высококачественное наружное покрытие.
- Малогабаритная конструкция.
- Высокая технологичность и простота сборки.
- Удобство монтажа.
- Высокий уровень электробезопасности.
- Сертификат соответствия.
- Установка под открытым небом.
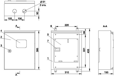
Габаритные размеры
|  | 1 - корпус щита. 3 - замок. 5 - панель монтажная. 7 - DIN-рейка. | 
Материалы и цвета
| Цвет корпуса | Серый (RAL 7035) | 
| Материал корпуса | листовая сталь | 
| Тип покрытия | порошковое, шагрень | 
| Материал уплотнителя | вспененный полиуретан | 
Особенности конструкции
|  | Позволяют раздельно разместить аппарат защиты (ВА47-29) и аппарат отключения электроэнергии (ВН-32), а также ограничитель импульсных перенапряжений (ОПС1). |  | Предусмотрена возможность пломбировки оперативной панели в закрытом состоянии. | 
|  | Оперативная панель закрывает электросчетчик и электроаппараты. Панель крепится к корпусу при помощи петель и запирается индивидуальным замком. |  | Дополнительный козырек корпуса предотвращает проникновение грязи и воды при открытии двери. | 
|  | Оперативная панель имеет окно для снятия показаний электросчетчика и прорезь для доступа к аппарату защиты. |  | Уплотнение из вспененного полиуретана. | 
Технические характеристики
| Артикул | MKM51-N-03-54 | 
| Вид установки | навесной | 
| Толщина металла, мм | 1,0 | 
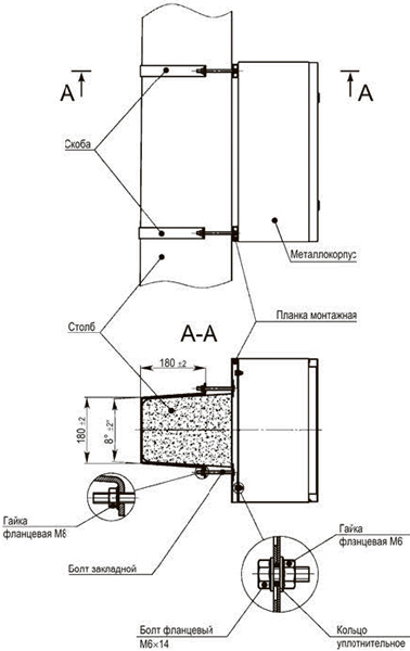
| Способ крепления | к стене, к стоблу | 
| Тип применяемых аппаратов | модульные | 
| Тип счетчика | трехфазный | 
| Максимальное количество модулей | 3 | 
| Номинальный ток, А | 50 | 
| Угол открытия двери, градусов | 120 | 
| Количество вводов | 3 отверстия d 31 мм (снизу) | 
| Степень защиты от пыли и влаги | IP54 | 
| Климатическое исполнение и категория размещения | У1 | 
| Вес изделия, кг | 5,0 | 
Схемы крепления
| Крепление корпуса к столбу скобой | Крепление корпуса к столбу монтажной полосой | 
|---|---|
|  |  | 
Комплектация
|  |  | 
| Знаки электробезопасности | Сальники | 
Преимущества
- Доставка по всей России
- Более 200 000 товаров в ассортименте
- Профессиональная консультация
- Кабель БЕЗ опасности
- Качество по ГОСТу
| 
										Бренд
																			 | IEK | 
| 
										Высота, мм
																			 | 445 | 
| 
										Глубина, мм
																			 | 150 | 
| 
										СрокГарантии, мес
																			 | 60 | 
| 
										Количество счетчиков
																			 | 1 | 
| 
										Способ монтажа
																			 | навесной | 
| 
										Серия
																			 | 823f6c4c-e383-11e9-9833-00155d166b05 | 
| 
										Тип счетчика
																			 | 3 | 
| 
										Ширина, мм
																			 | 440 | 
- 
		Зайдите на страницу товара и нажмите на кнопку «В корзину».
		Далее можно продолжить покупки или перейти к оформлению заказа. 
- 
		Перейдите в Корзину и нажмите «Перейти к оформлению».
		Можно авторизоваться или оформить заказ без регистрации. Зарегистрированные пользователи могут: - Отслеживать статус заказа
- Получать спецпредложения и промокоды на дополнительные скидки
 
- Укажите Ваши контакты: ФИО, телефон и e-mail.
- Выберите способ получения заказа (доставка или пункт самовывоза) и способ оплаты.
- Далее «Оформить заказ».
Готово: ваш заказ создан! По электронной почте или в личном кабинете Вы можете отслеживать статус заказа.
Теперь останется только ждать доставки и радоваться новой покупке!
Оплачивайте покупки удобным способом.
В нашем интернет-магазине доступно 3 варианта оплаты:
- Оплата наличными или картой при самовывозе в пункте выдачи заказов/магазине.
- Онлайн-оплата на сайте при оформлении заказа. Для совершения покупки система перенаправит вас на страницу платежного сервиса. Здесь необходимо заполнить форму по инструкции.
- Оплата по счету для юридических лиц. Оплата происходит после предоставления реквизитов для выставления счета. Покупатель получает счет на указанный e-mail.
Доступно 3 варианта доставки:
- Самовывоз из магазина. Список торговых точек для выбора появится в корзине. Для получения заказа обратитесь к сотруднику в кассовой зоне и назовите номер заказа.
- Доставка транспортной компанией СДЭК или Почтой РФ в отделение или постамат.
По всем возникающим вопросам можете позвонить нам на горячую линию:
Ежедневно с 8:00 до 20:00 по МСК
E-mail: help@kristall43.ru
Адрес: 610000, г. Киров, ул. Щорса, 68г, кабинет 3
 
																																	 
																																									 
																																									 
																																									 
																																	 
																																									 
																																									 
																																									 
																																									 
																																									 
																																	 
																																									 
																																									 
																																									 
																																									 
																																	 
																																									 
																																									 
																																									 
																																									 
																																									 
																																	 
																																									 
																																									 
																																									 
																																									 
																																									 
																																									 
																																									 
																																									 
																																									 
																																									 
																																	 
																																	 
																																									 
																																									 
																																									 
																																									 
																																									 
																																									 
																																	 
																																									 
																																	 
																																									 
																																	 
																																	 
																																									 
																																									 
																																									 
																																									 
																																									 
																																									 
																																	 
																																									 
																																									 
																																									 
																																									 
																																									 
																																									 
																																									 
																																									 
																																									 
																																									 
																																									 
																																	 
																																									 
																																									 
																																									 
																																									 
																																									 
																																									 
																																	 
																																									 
																																	 
																																									 
																																									 
																																									 
																																									 
																																	 
																																									 
																																									 
																																	 
																																									 
																																	 
																																									 
																																									 
																																									 
																																									 
																																									 
																																									 
																																									 
																																									 
																																	 
																																									 
																																	 
																																									 
																																									 
																																									 
																																									 
																																									 
																																									 
																																	 
																																									 
																																									 
																																									 
																																									 
																																									 
																																									 
																																									 
																																									 
																																									 
																																									 
																																									 
																																									 
																																									 
																																									 
																																	 
																																									 
																																									 
																																	 
																																									 
																																									 
																																	 
																																									 
																																									 
																																	 
																																									 
																																									 
																																	 
																																	 
																																									 
																																									 
																																									 
																																	 
																																									 
																																	 
																																									 
																																	 
																																									 
																																									 
																																									 
																																	 
																																									 
																																	 
																																									 
																																									 
																																									 
																																	 
																																									 
																																									 
																																	 
																																									 
																																									 
																																									 
																																									 
																																									 
																																									 
																																									 
																																	 
																																									 
																																									 
																																									 
																																									 
																																									 
																																									 
																																									 
																																									 
																																	 
																																									 
																																									 
																																									 
																																									 
																																									 
																																									 
																																									 
																																	 
																																	 
																																									 
																																									 
																																									 
																																									 
																																	 
																																									 
																																	 
																																									 
																																									 
																																									 
																																	 
																																	 
																																	 
																																	 
																																	 
																																									 
																																									 
																																									 
																																									 
																																									 
																																									 
																																									 
																																									 
																																	 
																																	 
																																									 
																																									 
																																	 
																																									 
																																	 
																																									 
																																	 
																																									 
																																									 
																																									 
																																									 
																																									 
																																									 
																																									 
																																									 
																																									 
																																									 
																																									 
																																									 
																																	 
																																									 
																																									 
																																									 
																																									 
																																									 
																																									 
																																									 
																																	 
																																									 
																																									 
																																									 
																																	 
																																									 
																																									 
																																									 
																																	 
																																									 
																																	 
																																									 
																																									 
																																	 
																																									 
																																									 
																																									 
																																									 
																																									 
																																									 
																																									 
																																									 
																																									 
																																									 
																																									 
																																									 
																																	 
																																									 
																																	 
																																									 
																																									 
																																									 
																																									 
																																									 
																																	 
																																									 
																																									 
																																									 
																																	 
																																									 
																																									 
																																									 
																																	 
																																									 
																																	 
																																									 
																																									 
																																									 
																																	 
																																									 
																																									 
																																									 
																																									 
																																									 
																																									 
																																									 
																																									 
																																	 
																																									 
																																									 
																																									 
																																									 
																																									 
																																									 
																																	 
																																									 
																																	 
																																									 
																																									 
																																									 
																																	 
																																									 
																																									 
																																									 
																																	 
																																									 
																																									 
																																									 
																																									 
																																									 
																																	 
																																									 
																																									 
																																									 
																																									 
																																	 
																																									 
																																									 
																																									 
																																									 
																																									 
																																									 
																																	 
																																									 
																																									 
																																									 
																																									 
																																									 
																																	 
																																									 
																																	 
																																									 
																																									 
																																									 
																																									 
																																									 
																																									 
																																									 
																																									 
																																									 
																																									 
																																									 
																																	 
																																									 
																																									 
																																	 
																																									 
																																									 
																																									 
																																									 
																																	 
																																									 
																																	 
																																	 
																																									 
																																									 
																																									 
																																									 
																																									 
																																									 
																																									 
																																									 
																																	 
																																									 
																																									 
																																									 
																																									 
																																									 
																																									 
																																	 
																																	 
																																									 
																																	 
																																	 
																																									 
																																									 
																																									 
																																									 
																																									 
																																									 
																																	 
																																	 
																																									 
																																									 
																																									 
																																									 
																																	 
																																									 
																																									 
																																	 
																																									 
																																									 
																																									 
																																									 
																																									 
																																	 
																																									 
																																									 
																																	 
																																									 
																																									 
																																									 
																																									 
																																									 
																																	 
																																									 
																																									 
																																	 
																																									 
																																									 
																																									 
																																	 
																																									 
																																	 
																																									 
																																									 
																																									 
																																									 
																																									 
																																									 
																																									 
																																									 
					 
                         
                                                                         
                                                                         
                                                                         
                                                                         
                                                                         
                                                                         
                                                                        